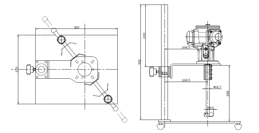
O misturador pneumático de mesa SY-A Gaston é um equipamento de mistura especialmente projetado para laboratórios e pequenos locais de trabalho. Ele adota um design de mesa com dimensões reduzidas e é adequado para uso em espaços limitados. O misturador SY-A está equipado com um motor pneumático de alto desempenho, que pode fornecer uma força de mistura estável e poderosa para garantir que os materiais sejam totalmente misturados. As lâminas de mistura são feitas de aço inoxidável, que é forte e durável, e podem ser selecionadas de acordo com diferentes necessidades para atender aos requisitos de mistura de diferentes materiais. Além disso, o misturador também vem com uma braçadeira e um mandril rápido, que pode substituir rapidamente o eixo de mistura, o que é prático e rápido.
Parâmetros detalhados
  
 
|       Tipo de motor  |           Modelo de motor  |           Potência  |           Tamanho do eixo (aço inoxidável)  |           Lâmina (aço inoxidável)  |           Tipo de lâmina  |    
|       Motor de pistão  |           AMP2  |           0,18 CV  |           Φ12,7mm×220mm  |           21/2"×1  |           Opcional: lâmina agitadora, disco de dispersão.  |    
|       AMP3  |           0,25 CV  |           Φ12,7mm×220mm  |           21/2"×1  |    ||
|       Motor de lâmina  |           AMV0,68  |           0,9 CV  |           Φ12,7mm×220mm  |           21/2"×1  |    |
|       AMV1.3  |           1,70 CV  |           Φ12,7mm×220mm  |           21/2"×1  |    ||
|       Fabricado para requisitos personalizados.  |    |||||

Nos modernos sistemas de produção industrial, o desempenho de unidades de energia determina diretamente a eficiência e a estabilidade dos processos de produção. Como um dispositivo de acionamento u...
Ver maisIn modern industry, the choice of power transmission equipment directly impacts production efficiency and operational stability. As a drive device powered by compressed air, the positive di...
Ver maisNa vasta arena da produção industrial moderna, o Equipamento de elevaça iva indispensal "Herói dos Bastídeos", apoiando silenciosames a operação avara de vários Processos de produção. Entre elees, ...
Ver maisFique ligado